 | Přijímače, vysílače, vf zesilovače
|  | Zesilovače, obvody pro úpravu zvuku
|  | Zapojení s elektronkami
|  | Měření, přístroje a přípravky
|  | Napájecí zdroje, nabíječky
|  | Mikroprocesory a digitální obvody
|  | Pro dům, dílnu a garáž, modely...
|
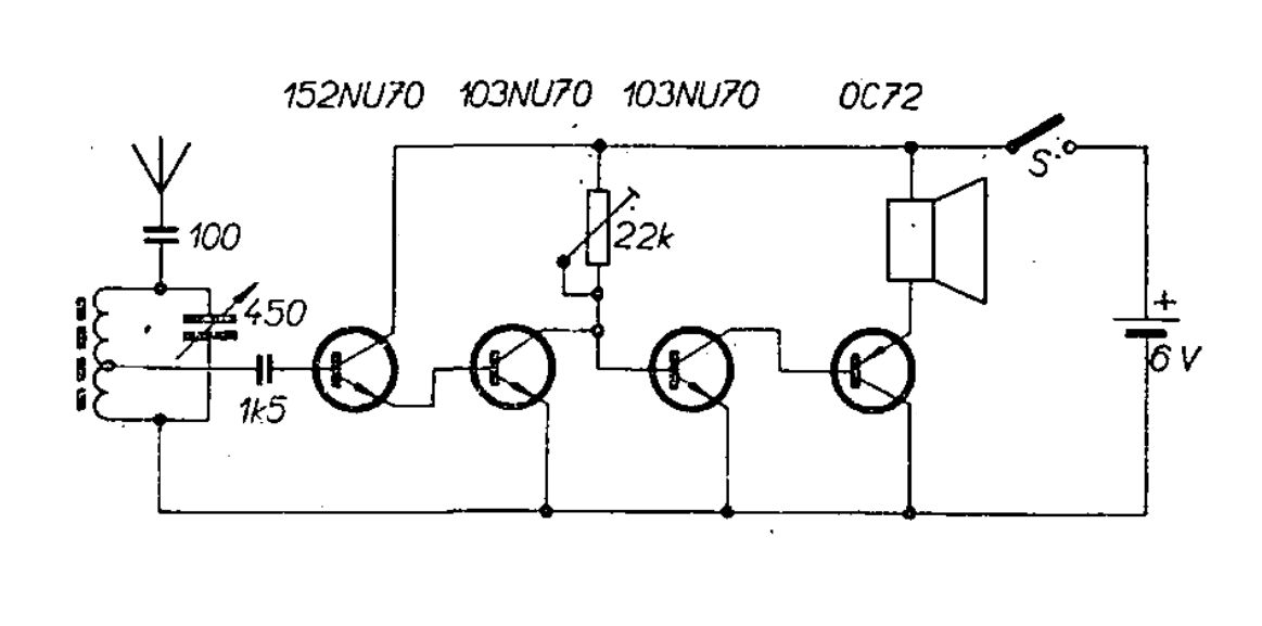
|  | Schéma - Darlingtonová krystalkaDarlingtonová krystalka Čtyřtranzistorový přijímač s reproduktorem
| | | Vložil : RadioMan dne 03.12.2019, shlédnuto : 2412x |
Diskuse ke schématu :
| |
|---|
Terezkaterka 21.12.2019 19:12 | Kedysi bola tá amatérska elektronika zaujímavejšia. Vďaka Vám za túto stránku. | |
|
Zde můžete napsat jakýkoliv dotaz či připomínku - obratem bude zveřejněna. Můžete také jednoduše poslat odkaz na toto schéma svým přátelům !
(Celkem 1 komentářů)
| |
|