 | Přijímače, vysílače, vf zesilovače
|  | Zesilovače, obvody pro úpravu zvuku
|  | Zapojení s elektronkami
|  | Měření, přístroje a přípravky
|  | Napájecí zdroje, nabíječky
|  | Mikroprocesory a digitální obvody
|  | Pro dům, dílnu a garáž, modely...
|
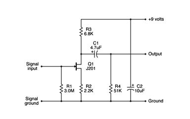
|  | Schéma - Buffer pro elektrickou kytaruBuffer pro elektrickou kytaru Přizpůsobovací obvod s jedním tranzistorem FET
| | | Vložil : RadioMan dne 21.11.2019, shlédnuto : 1568x |
 | | Zdroj : http://www.till.com
 Použité součástky : J201
|
Převodník impedance přizpůsobí signál ze snímače pro připojení k zesilovači, nebo mixážnímu pultu. Díky němu se subjektivně i zvýší citlivost snímače. Ideální je umístit ho přímo v kytaře, což díky jeho jednoduché konstrukci není problém. Napájení je devítivoltovou baterií, která vydrží zesilovač napájet poměrně dlouho. |
Diskuse ke schématu :
Zde můžete napsat jakýkoliv dotaz či připomínku - obratem bude zveřejněna. Můžete také jednoduše poslat odkaz na toto schéma svým přátelům !
(Tento článek je kupodivu zatím bez komentářů - buďte první !)
| |
|