 | Přijímače, vysílače, vf zesilovače
|  | Zesilovače, obvody pro úpravu zvuku
|  | Zapojení s elektronkami
|  | Měření, přístroje a přípravky
|  | Napájecí zdroje, nabíječky
|  | Mikroprocesory a digitální obvody
|  | Pro dům, dílnu a garáž, modely...
|
|  | Schéma - Přerušovač - blikač se sériovým připojenímPřerušovač - blikač se sériovým připojením
| | | Vložil : RadioMan dne 15.08.2021, shlédnuto : 2531x |
 | | Zdroj : Zdeněk Pícha
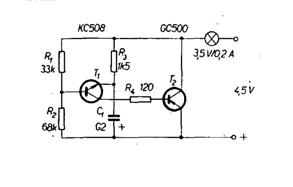
 Použité součástky : KC508, GC500
|
Toto zapojení má oproti jiným blikačům velikou výhodu v tom, že se dá zapojit do série se žárovkou - a proto je možné ho použít třeba jako náhradu starých bimetalových přerušovačů v autech a motorkách.
Pracuje jednoduše - Po připojení ke zdroji napájecího napětí se začíná nabíjet kondenzátor C1 Bude-li napětí na kondenzátoru C1 větší než napětí na odporu R2, tranzistor T1 povede a náboj kondenzátoru se vybije do báze T2 přes odpor R1 Tranzistor T2 se otevře a žárovka se na okamžik rozsvítí. Tranzistor T2 zároveň „zkratuje" napájecí napětí pro T1 - proto žárovka po vybití kondenzátoru C1 zhasne a celý děj se opakuje. Délku prodlevy mezi jednotlivými impulsy lze měnit změnou odporu R3.
Pro žárovky v autě je samozřejmě nutné tranzistor T2 patřičně dimenzovat - vyhoví prakticky jakýkoliv výkonový typ PNP. |
Diskuse ke schématu :
Zde můžete napsat jakýkoliv dotaz či připomínku - obratem bude zveřejněna. Můžete také jednoduše poslat odkaz na toto schéma svým přátelům !
(Tento článek je kupodivu zatím bez komentářů - buďte první !)
| |
|