 | Přijímače, vysílače, vf zesilovače
|  | Zesilovače, obvody pro úpravu zvuku
|  | Zapojení s elektronkami
|  | Měření, přístroje a přípravky
|  | Napájecí zdroje, nabíječky
|  | Mikroprocesory a digitální obvody
|  | Pro dům, dílnu a garáž, modely...
|
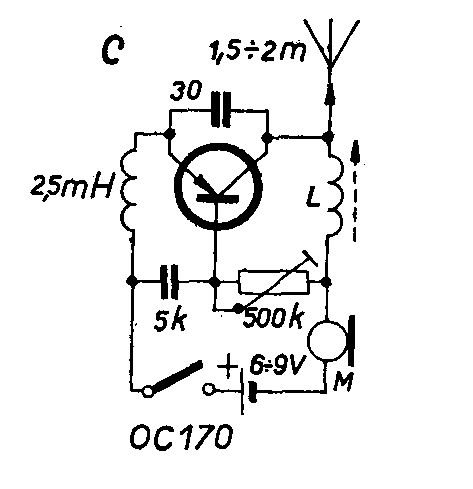
|  | Schéma - Bezdrátový mikrofon - AM vysílačBezdrátový mikrofon - AM vysílač Jednodušeji to už asi nejde. Jediný tranzistor a pět dalších součástek...
| | | Vložil : RadioMan dne 05.01.2020, shlédnuto : 2521x |
 | | Zdroj : Amatérské elektronické modely
 Použité součástky : OC170
|
Zajímavé ultrajednoduché zapojení z polské knihy "Amatérské elektronické modely", bohužel bez bližšího popisu. Má fungovat jako bezdrátový mikrofon v rozsahu středních vln - a není důvod, proč by v blízkém dosahu od běžného AM rádia fungovat neměl. Cívka L je feritová anténa pro rozsah středních vln (cca 80 závitů na feritové tyčce). Mikrofon je uhlíkový ze starého telefonu... |
Diskuse ke schématu :
| |
|---|
Ok1cdg 23.04.2021 18:22 | Ve schématu schází kondenzátor paralelně k cívce L /feritové anténě/, bez něj to fungovat nebude.Pro rozsah SV bude vhodná hodnota (při použití FA s 80závity) v rozsahu cca. 390 - 82pF | |
|
Zde můžete napsat jakýkoliv dotaz či připomínku - obratem bude zveřejněna. Můžete také jednoduše poslat odkaz na toto schéma svým přátelům !
(Celkem 1 komentářů)
| |
|