 | Přijímače, vysílače, vf zesilovače
|  | Zesilovače, obvody pro úpravu zvuku
|  | Zapojení s elektronkami
|  | Měření, přístroje a přípravky
|  | Napájecí zdroje, nabíječky
|  | Mikroprocesory a digitální obvody
|  | Pro dům, dílnu a garáž, modely...
|
|  | Schéma - Sledovač signálu s generátoremSledovač signálu s generátorem Nezbytná pomůcka každého opraváře rádií
| | Vložil : RadioMan dne 17.11.2019, shlédnuto : 2538x Upravit |
 | | Zdroj : časopis Radiový konstruktér
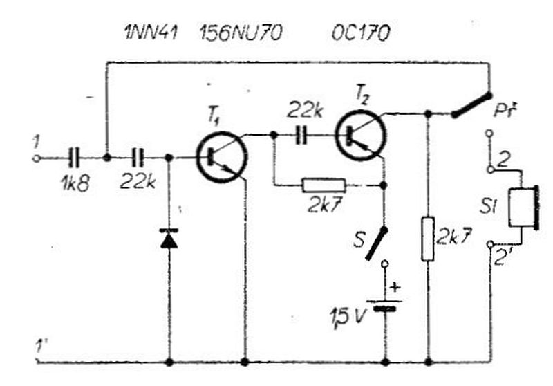
 Použité součástky : OC170, 156NU70, 1NN41
|
Sledovač signálu a multivibrátor patří k nenahraditelným pomůckám při opravách starých rádií. Sledovačem se dá odhalit a hlavně lokalizovat závada ve vf i nf části přijímače, multivibrátor nám pak (alespoň na rozsazích AM) nahradí zkušební vysílač.
Existuje nepřeberné množství složitých i jednodušších konstrukcí, ale úplný začátečník si vystačí i s velejednoduchým přístrojem, který vtipně kombinuje oba dva přístroje dohromady a přitom má doslova jenom pár součástek.Jedná se o jednoduchý nf zesilovač, přepnutím přepínače místo reproduktoru propojíme výstup se vstupem a vzniklá zpětná vazba zesilovač spolehlivě rozkmitá. Dioda na vstupu slouží pro detekci vf signálu.
Sluchátko je třeba použít pokud možno s co největší impedancí, tranzistory je možné nahradit křemíkovými typy. Diodu je dobré ponechat germaniovou. |
Diskuse ke schématu :
Zde můžete napsat jakýkoliv dotaz či připomínku - obratem bude zveřejněna. Můžete také jednoduše poslat odkaz na toto schéma svým přátelům !
(Tento článek je kupodivu zatím bez komentářů - buďte první !)
| |
|