RegistracePřihlášení Napište nám



Yack - elektronický telegrafní klíč
Tegrafní klíč

Napsal Lukasrejnart 19.09.2021


Složitost :
(pro středně pokročilé)

shlédnuto 3742x rubrika Ham technika

Obtížně se to čte ? Zkuste text ZVĚTŠIT nebo zmenšit
A nebo si vše prohlédněte černé na bílém
Celý článek si také můžete přehledně vytisknout



Zdroj
https://github.com/dhakajack/jackyack/

Software pro ATTiny85
https://sourceforge.net/projects/yack/files/YACK%20Version%200.7.zip

Návod od ok2koj
https://www.radio.feec.vutbr.cz/ok2koj/kurz/yack-navod.pdf



GALERIE OBRÁZKŮ

deska plošných spojů
Osazení DPS
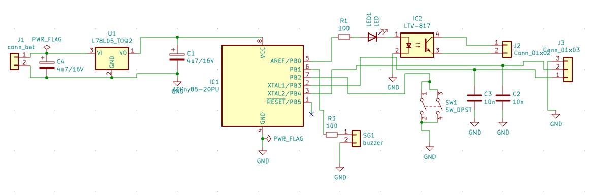
Schema
ovládání



Tento článek je původním autorským dílem. Jakékoliv jeho další šíření, kopírování a další využívání elektronickou, či jinou cestou jako celku, jakožto i jeho jednotlivých částí, či souvisejících multimediálních souborů je možné pouze se svolením autora a řídí se platnou legislativou.
-=© KUTILOVO SRS 3.01=-

Diskuse k článku
Zde můžete napsat jakýkoliv dotaz či připomínku - obratem bude zveřejněna.
Můžete také jednoduše poslat odkaz na tento článek svým přátelům !
(Tento článek je kupodivu zatím bez komentářů - buďte první !)

Text komentáře :
Vaše přezdívka :
Kontrola, jestli jste člověk nebo robot :
Je to bílý prášek a sladí se s ním čaj nebo kafe. Co je to ?
Odpověď :